×

101-3图集手机版

101-3图集手机版(1013图集107页)

11111111 11111111 发表于2025-10-14 17:24:15 浏览1 评论0

抢沙发发表评论

从头开始看,开始慢点,吃透以后后面就容易看懂了我想在线看或下载16g1013图集筏板钢筋搭接长度第66页本图集中钢筋搭接长度和锚固长各是多少棱台型承台基础地下室怎样加密链接 密码 c71t地下室柱,标题是间距200,还要加密吗基础梁的做法弯锚时伸长值要扣。

101-3图集手机版(1013图集107页)

谢谢tjtsy 说明03G系列12本指的是03G101系列7本和09G901系列5本二项11G101系列是新版本其中 11G1011代替03G101104G1014 11G1012代替031012 11G1013代替04G101308G101506G1016 所以现在适用的应该是11G101系列3本08G1011109G901系列5本,共9本 很。

造价者网 可自行免费免注册下载,进入首页后在左上角的搜索栏里搜索一下,就可以了我刚才已经试过,可以下载常用的有103G101旧版全套图集7本A03G1011 现浇混凝土框架剪力墙框架剪力墙框肢剪力墙结构 B03G1012 现浇混凝土板式楼梯 C04G1013 筏形基础 D04G。

101-3图集手机版(1013图集107页)

混凝土结构施工图集11 g101~3中第73页见下附件,1169×827像素图片,请点击放大后查看或下载另存为,希望能够帮到你。

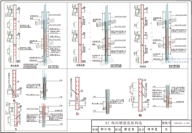
16g1013图集所载独立基础如下,共九种双柱带端柱独立基础配筋构造单柱带短柱独立基础配筋构造设置基础梁的双柱普通独立基础配筋构造双柱普通独立基础配筋构造独立基础DJJ DJPBJJBJP底板配筋构造双高杯口独立基础配筋构造高杯口独立基础配筋构造杯口和双杯口独立基础构造独立基础底板配筋长度减短10%。

群贤毕至

访客